开云(中国) QLA328 定制称重传感器
类型:通用型
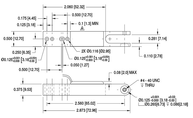
型号:QLA328
行业:雪鞋测试、电阻点焊、软管膨胀压力测量
型号:QLA328
行业:雪鞋测试、电阻点焊、软管膨胀压力测量


| 量程 | 1.1, 2.2, 4.5, 22, 44.5, 111 N |
| 额定输出 | 1 mV/V |
| 激励 | 18 |
| 桥路电阻 | 1000 Ohm nom |
| 绝缘电阻 | ≥500 MOhm @ 50 VDC |
| 电缆 | #28 AWG,4芯编织屏蔽PVC电缆3米长 |
| 重量 | 28 g |
| 过载保护 | 150% of RO |
| 材质 | 17-4 PH不锈钢 |
| 防护等级 | IP64 |
| 操作温度 | -42 to +93 ℃ |
| 补偿温度 | 15 to +72 ℃ |
| 温度漂移零点 | 0.036% of RO/℃ |




电话020-85262155
邮箱sales@omgl.com.cn